Ventiladores de media presión radiales
RD 16, RE 16
Hasta 142 m³/min y 10.600 Pa. Carcasa de fundición de aluminio, principalmente rodetes inclinados hacia atrás de aluminio, altamente resistente a la corrosión.
Curvas características
Datos de potencia
Clase de eficiencia
Flujo volumétrico
Diferencia de presión total
Tensión
Frecuencia
Consumo de corriente
Potencia
Velocidad del ventilador
Peso
Condensador
RD 16
16,1
1470
230/400
50
1,51/0,87
0,37
2845
17,0
-
Curvas características
Datos de potencia
Clase de eficiencia
Flujo volumétrico
Diferencia de presión total
Tensión
Frecuencia
Consumo de corriente
Potencia
Velocidad del ventilador
Peso
Condensador
RD 16
16,3
1590
277/480
60
1,52/0,88
0,44
3440
17,0
-
Datos de potencia
Clase de eficiencia
Flujo volumétrico
Diferencia de presión total
Tensión
Frecuencia
Consumo de corriente
Potencia
Velocidad del ventilador
Peso
Condensador
RE 16
16,0
1460
230
50
2,40
0,37
2850
17,5
12/450
ATEX
Disponemos de modelos ATEX para esta serie previa solicitud. Si está interesado, rellene y envíenos nuestro formulario de autodeclaración ATEX.
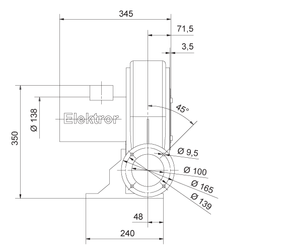
Dibujos técnicos
Descargas
|
Manual de instrucciones RD (fr, it, nl, da) |
Manual de instrucciones | 7 MB | Descargar | |
|
Manual de instrucciones RD (es, pt, gr, pl) |
Manual de instrucciones | 7 MB | Descargar | |
|
Manual de instrucciones RD (cz) |
Manual de instrucciones | 3 MB | Descargar | |
|
Manual de instrucciones RD (no, se, fi) |
Manual de instrucciones | 6 MB | Descargar | |
|
Manual de instrucciones RD (ru) |
Manual de instrucciones | 4 MB | Descargar | |
|
Manual de instrucciones RD (zh) |
Manual de instrucciones | 4 MB | Descargar | |
|
Manual de instrucciones RD (de, en) |
Manual de instrucciones | 2 MB | Descargar | |
|
KA_RD_DE_EN_v2.pdf |
Catálogo | 5 MB | Descargar |










