Hoog-rendement-ventilatoren
S-HE 380/95
Tot 260 m³/min en 4.800 Pa. Achterwaarts gekromde, hoogefficiënte stalen loopwielen. Zeer efficiënt, verbruikt weinig energie. Stalen behuizing. Variabele aansluitingsmogelijkheden.
Karakteristieken
Vermogensgegevens
Rendementsklasse
Volumestroom
Totaal drukverschil
Spanning
Frequentie
Stroomopname
Vermogen
Ventilatortoerental
Gewicht
S-HE 380/95-50/2,2
86,2
2290
230/400
50
7,70/4,45
2,2
2870
96
Karakteristieken
Vermogensgegevens
Rendementsklasse
Volumestroom
Totaal drukverschil
Spanning
Frequentie
Stroomopname
Vermogen
Ventilatortoerental
Gewicht
S-HE 380/95-60/2,2
76,2
2770
460
60
3,90
2,2
3490
94
S-HE 380/95-60/2,2
76,2
2770
460
60
3,90
2,2
3490
94
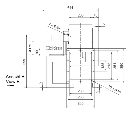
Technische tekeningen
Downloads
|
Bedrijfsaanwijzing S-HE (de, en) |
Bedrijfsaanwijzing | 2 MB | Downloaden | |
|
Catalogus S-HE |
Catalogus | 2 MB | Downloaden |










